ВИЗАТОР
Японские автомобильные аукционы с акцентом на Nissan NV150 AD VY12
Главная
Новости
FAQ
Аукционы
Руководства по ремонту
Nissan Wingroad Y12: полное руководство по ремонту и обслуживанию на русском языке
Поиск
Вы здесь:
Главная
Руководства по ремонту
Nissan Wingroad Y12: полное руководство по ремонту и обслуживанию на русском языке
Электрооборудование
Система освещения
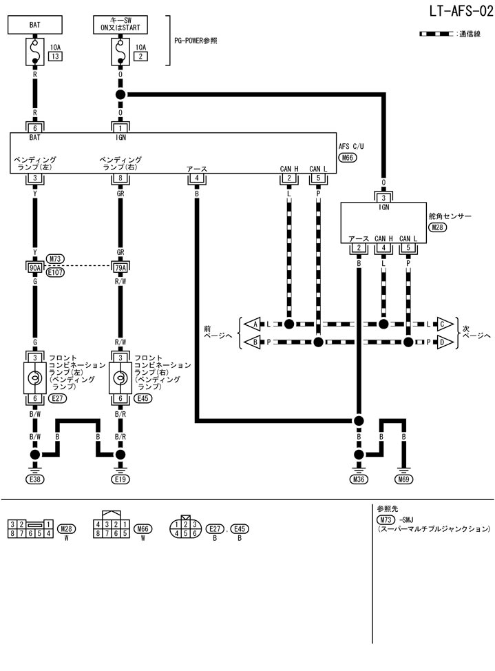
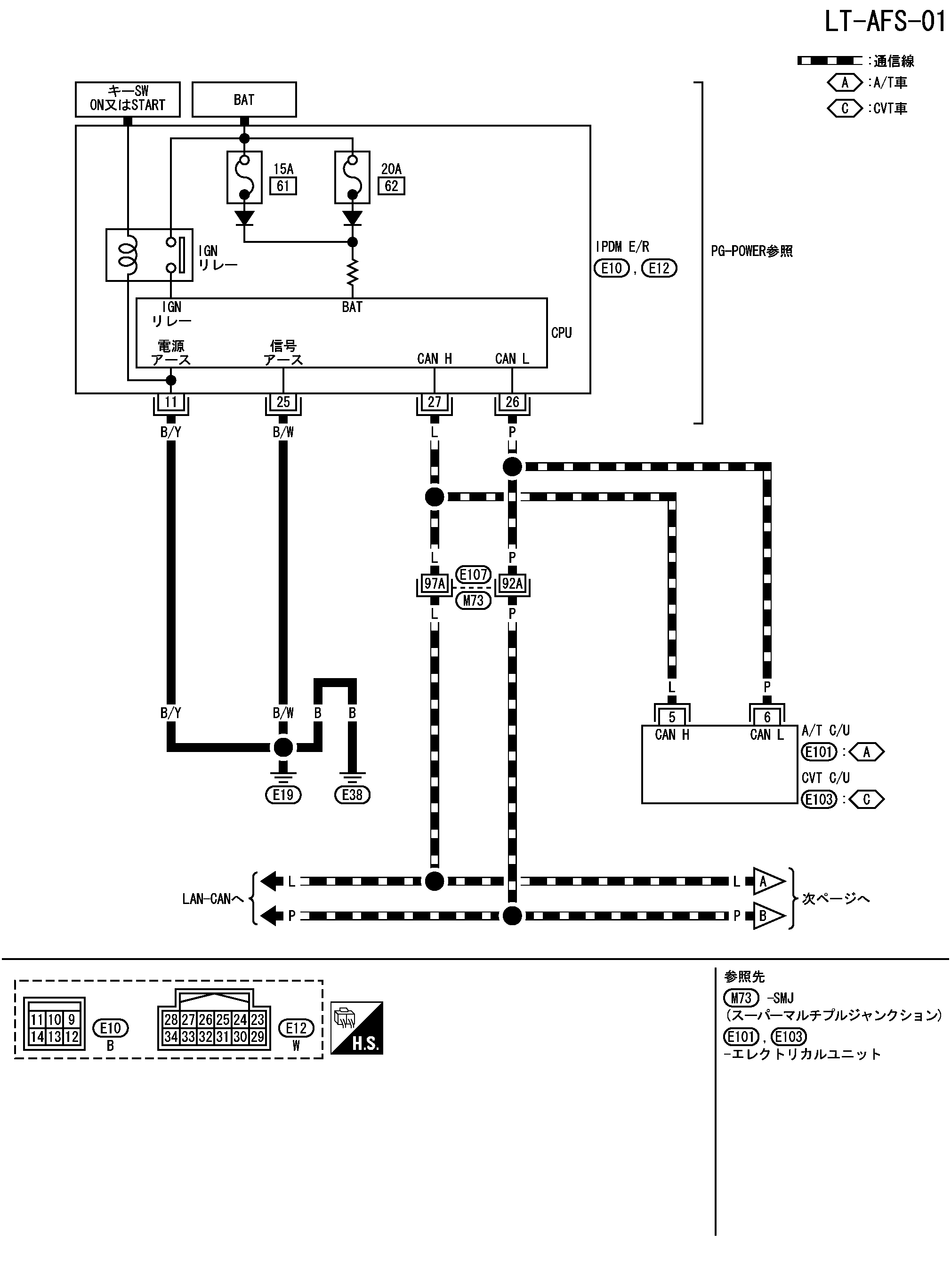
Схема подключения – afs – активный afs
Схема подключения – afs – активный afs
配線図 - AFS -
📄
Открыть схему TKWB4377J.PDF
📄
Открыть схему TKWB4378J.PDF
📄
Открыть схему TKWB4379J.PDF
Предыдущий: схема активного афс
Назад
Следующий: afs c/u опорное значение входного/выходного сигнала активно afs
Вперед
Необходимо поставить все оценки
'Поставьте галочку "Я не робот"'
Оцените статью
Отлично
Хорошо
Нормально
Плохо
Ужасно
Ваше имя *
Ваш E-mail *
Текст комментария *
Добавить комментарий
Закрыть