Обзор системы

 
 プロジェクタータイプ2灯式キセノンヘッドランプ(H.I.D.ランプ)注
 
 概要

  • ハイビーム、ロービーム共にキセノン特有の光で広範囲の照射を可能とした、プロジェクタータイプ2灯式キセノンヘッドランプを採用し た。
  • ハイビーム、ロービーム共に同一キセノンバルブを使用することで、4灯式でのロー、ハイ切り替え時に見られる色の変化による違和感がなくなり、消費電力も低減した。 注:H.I.D.=High Intensity Discharge(高輝度放電)
 
 配光の切り替え原理 (可動バルブシェード)

  • キセノンバルブ一つでハイ/ローを切り替える、可動バルブシェードを採用した。
  • ヘッドランプに内蔵されている可動バルブシェードは、ハイビーム切り替えソレノイドによって作動する。
  • ライトスイッチをハイビームに切り替えると、ハイビーム切り替えソレノイドに電流が流れて磁力が生じ、ハイビーム切り替えソレノイドのバネが圧縮され、可動バルブシェードがハイビーム側に切り替わる。
  • ライトスイッチをロービームに切り替えると、ハイビーム切り替えソレノイドに流れていた電流は遮断され、出力軸部のバネにより、可動バルブシェードが自動的にロービーム側に戻る。
    SKIB7794J.JPG
 
 キセノンバルブ


概要
  • ハロゲンバルブにあるフィラメントの代わりに、発光管(バルブ)内にキセノンガス(Xeガス)などを封入し、高電圧をかけることにより、アーク放電を起こして発光させる光源を使用したランプである。
  • 光量が多く太陽光に近い白色であるため、明るく自然で見やすい視界が得られる。
  • キセノンバルブが寿命となった場合は、著しく光量が低下したり、点滅を繰り返したり、発光色が赤っぽくなる。

特徴
  • ハロゲンランプの1.5倍以上の明るさを活かして照射範囲を広げることにより、路肩、コーナー、遠方などが見やすくなり、夜間走行時良好な視界を確保できる。
  • 人間の目に対して感度の高い光を多く発光するため、夜間でも昼間に近い自然な視界が得られる。
  • 雨天時の湿潤路面上で再帰反射輝度が高くなり、視対象物のコントラストが強くなる。そのため光量が増加した以上に視認性が向上する。
  • 対向車等への眩惑感を防ぐため、新設計のリフレクター、およびカットラインシェードを採用し最適な配光特性とした。また、ヘッドランプオートレベライザーを採用し、乗員数、および積載量の変化に伴う光軸の上下方向のずれを自動で補正することができる。ヘッドランプオートレベライザー を参照。
  • 消費電力が小さいため、バッテリーの負荷が減少する。

発光原理
  1. バルブ電極間に高圧パルスで放電が生じる。
    EL-1510D.JPG
  2. 電極間の電流によってキセノンガス(Xeガス)が活性化し、青白い光が発生する。
  3. 発光管(バルブ)内温度が上昇し、蒸発したハロゲン化物が放電によって活性化し、白い光に変わる。
    参考:
    • 点灯直後、バルブが安定するまでに若干明るさや色が変化することがある(約10秒間)。(異常ではない。)
    • 左右のランプで点灯に時間差がでることがある。(異常ではない。)
    • 点灯、消灯を繰り返すとバルブ寿命が短くなるため、信号待ちなどの短時間の場合は、点灯したままの方がバルブが長持ちする。
    • 何らかの原因で消灯したり、点灯できない場合、一旦ライトスイッチをOFFし、再度ライトスイッチをONし直す。

 
 注意事項

  • キセノンヘッドランプは高電圧を使用しているため、ランプ交換、およびバルブ交換作業は販売会社で行うこと。
    EL-3421D.JPG
  • 警告ラベルをキセノンバルブの樹脂キャップに設定した。
 
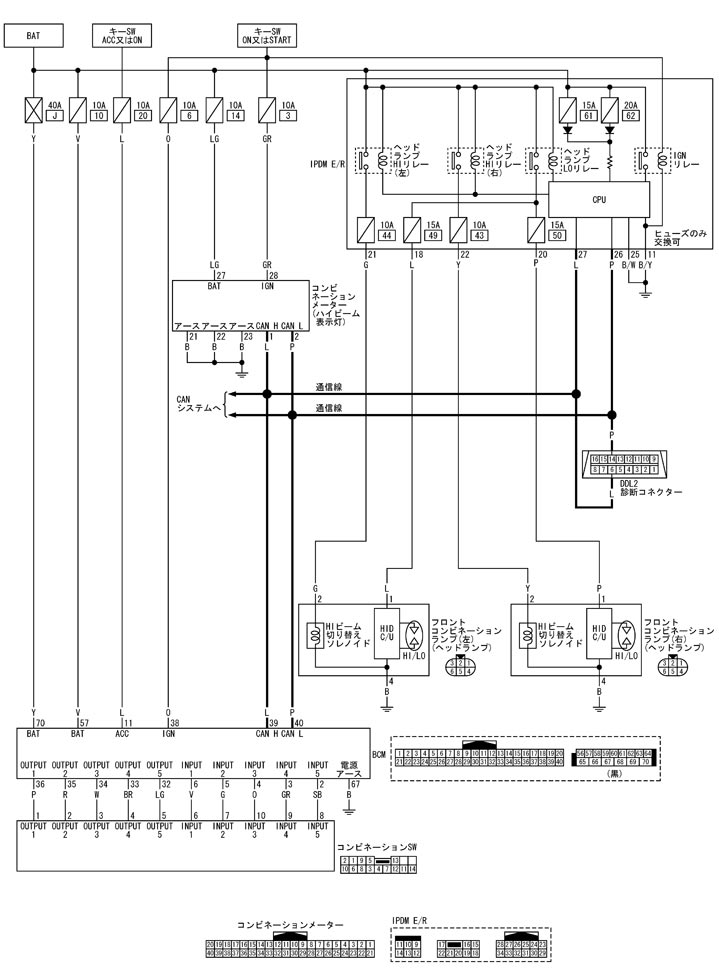
 システム図
 
 ヘッドランプLO作動

ライトスイッチを2段の位置にすると、ヘッドランプ1、ヘッドランプ2の接点がONになり、BCMのOUTPUT2からINPUT5、およびOUTPUT3からINPUT4の回路が成立する。
このときBCMは、コンビネーションスイッチ読み取り機能により、ヘッドランプLOスイッチONと判断し、CAN通信でIPDM E/Rに送信しているヘッドランプリクエスト信号(LO)を、OFFからONに切り換える。
ヘッドランプリクエスト信号(LO)を受信しているIPDM E/Rは、ヘッドランプLOリレーをONさせヘッドランプLOを点灯させる。
 
 ヘッドランプHI作動

ライトスイッチをハイビームの位置にすると、ハイビームスイッチの接点がONになり、BCMのOUTPUT3からINPUT5の回路が成立する。
このときBCMは、コンビネーションスイッチ読み取り機能により、ハイビームスイッチONと判断し、ライトスイッチが2段であれば、CAN通信でIPDM E/R、およびコンビネーションメーターに送信しているヘッドランプリクエスト信号(HI)をOFFからONに切り替える。また、ヘッドランプリクエスト信号(LO)はONのまま保持する。
ヘッドランプリクエスト信号(HI)、およびヘッドランプリクエスト信号(LO)を受信しているIPDM E/Rは、ヘッドランプHIリレー(左右)をONさせ、HIビーム切り替えソレノイドを介して可動バルブシェードを作動させHIビームに切り替える。また、ヘッドランプLOリレーをONのまま保持して、ヘッドランプを点灯させる。
ヘッドランプリクエスト信号(HI)を受信しているコンビネーションメーターは、ハイビーム表示灯を点灯させる。
 
 パッシング作動

ライトスイッチをパッシングの位置にすると、パッシングスイッチの接点がONになり、BCMのOUTPUT2からINPUT4の回路が成立する。
このときBCMは、コンビネーションスイッチ読み取り機能により、パッシングスイッチONと判断し、CAN通信でIPDM E/Rに送信している、ヘッドランプリクエスト信号(HI)、およびヘッドランプリクエスト信号(LO)をOFFからONに切り替える。また、コンビネーションメーターに送信している、ヘッドランプリクエスト信号(HI)も同様に切り替える。
ヘッドランプリクエスト信号(HI)、およびヘッドランプリクエスト信号(LO)を受信しているIPDM E/Rは、ヘッドランプLOリレー、およびヘッドランプHIリレー(左右)をONさせ、ヘッドランプ点灯、およびHIビーム切り替えソレノイドを介して可動バルブシェードを作動させHIビームに切り替える。
ヘッドランプリクエスト信号(HI)を受信しているコンビネーションメーターは、ハイビーム表示灯を点灯させる。
 
 コンビネーションスイッチ読み取り機能
 
 ヘッドランプバッテリーセーバー作動
 
 回路図
Оцените статью