Обзор системы

 
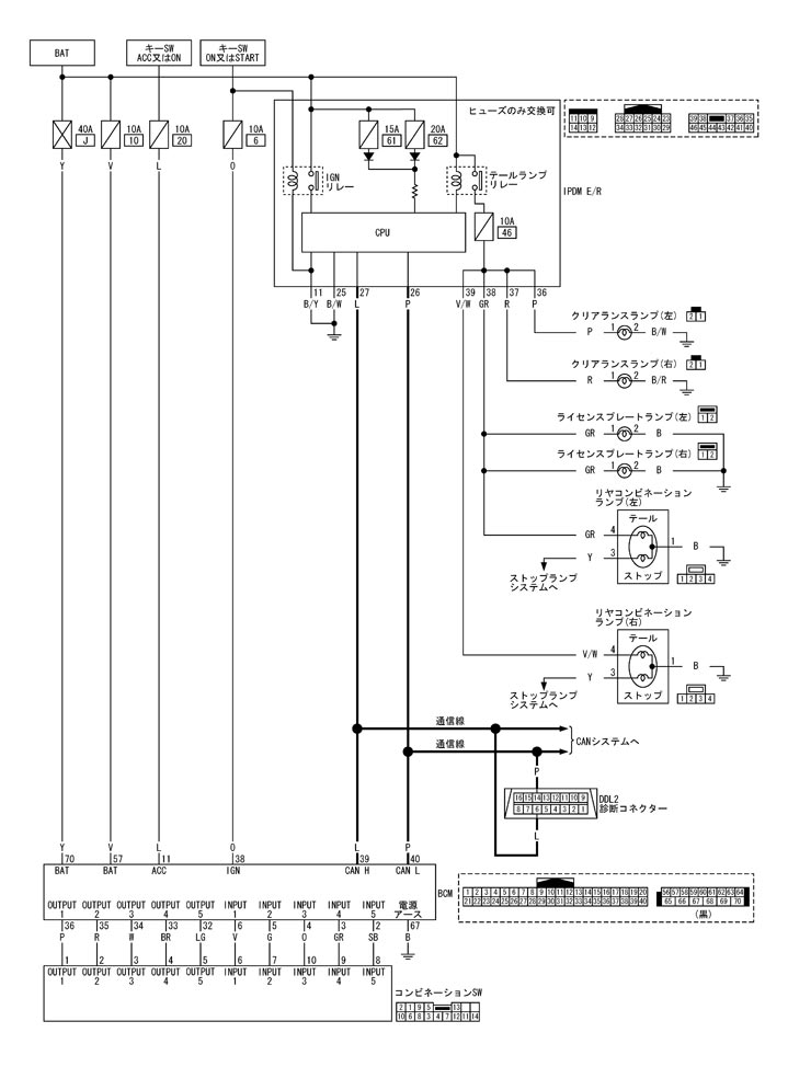
 システム図
 
 クリアランスランプ、テールランプ作動

ライトスイッチを1段の位置にすると、テールランプスイッチの接点がONになり、BCMのOUTPUT4からINPUT5の回路が成立する。
このときBCMは、コンビネーションスイッチ読み取り機能により、テールランプスイッチONと判断し、CAN通信でIPDM E/R、およびコンビネーションメーターに送信している、テールランプリクエスト信号をOFFからONに切り替える。
テールランプリクエスト信号を受信しているIPDM E/Rは、テールランプリレーをONさせ、クリアランスランプ、テールランプ、およびライセンスプレートランプを点灯させる。
テールランプリクエスト信号を受信しているコンビネーションメーターは、メーター照明を点灯させる。
 
 コンビネーションスイッチ読み取り機能
 
 ヘッドランプバッテリーセーバー作動
 
 回路図
Оцените статью