ВИЗАТОР
Японские автомобильные аукционы с акцентом на Nissan NV150 AD VY12
Главная
Новости
FAQ
Аукционы
Руководства по ремонту
Nissan Wingroad Y12: полное руководство по ремонту и обслуживанию на русском языке
Поиск
Вы здесь:
Главная
Руководства по ремонту
Nissan Wingroad Y12: полное руководство по ремонту и обслуживанию на русском языке
Электрооборудование
Сеть LAN (CAN)
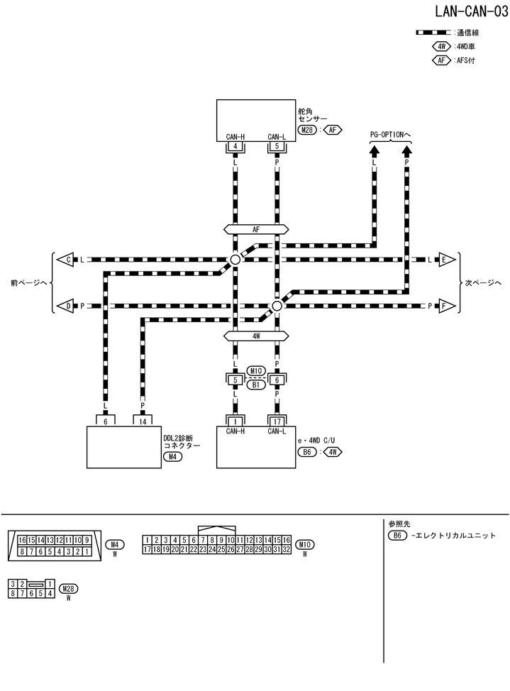
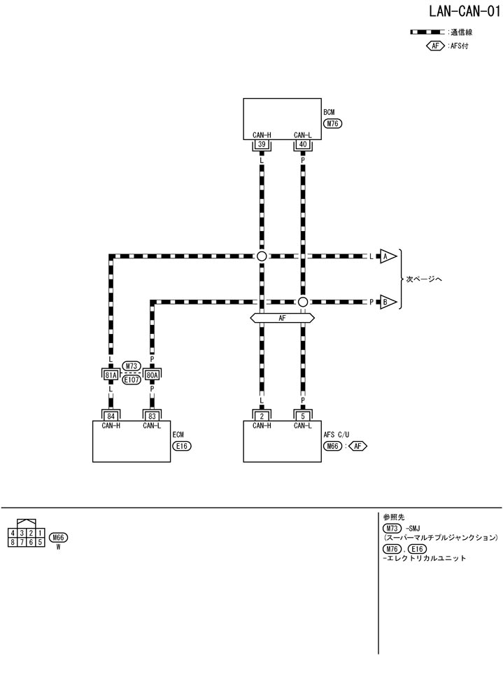
Схема подключения системы связи can-can
Схема подключения системы связи can-can
配線図 ― CAN ―
📄
Открыть схему TKWB4415J.PDF
📄
Открыть схему TKWB4416J.PDF
📄
Открыть схему TKWB4417J.PDF
📄
Открыть схему TKWB4418J.PDF
Предыдущий: Принципиальная схема может система связи
Назад
Следующий: Список мест отказа основной линии
Вперед
Необходимо поставить все оценки
'Поставьте галочку "Я не робот"'
Оцените статью
Отлично
Хорошо
Нормально
Плохо
Ужасно
Ваше имя *
Ваш E-mail *
Текст комментария *
Добавить комментарий
Закрыть