ВИЗАТОР
Японские автомобильные аукционы с акцентом на Nissan NV150 AD VY12
Главная
Новости
FAQ
Аукционы
Руководства по ремонту
Nissan Wingroad Y12: полное руководство по ремонту и обслуживанию на русском языке
Поиск
Вы здесь:
Главная
Руководства по ремонту
Nissan Wingroad Y12: полное руководство по ремонту и обслуживанию на русском языке
Электрооборудование
Питание, заземление, электрические компоненты
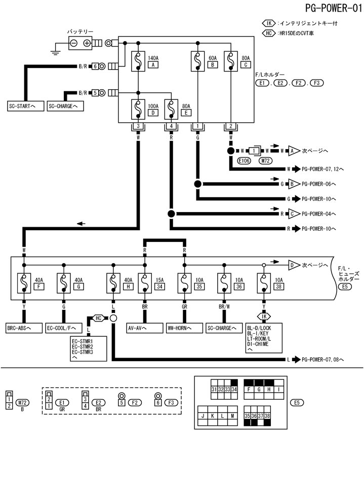
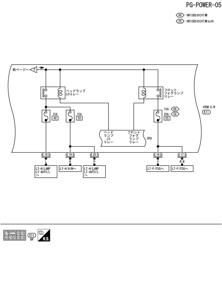
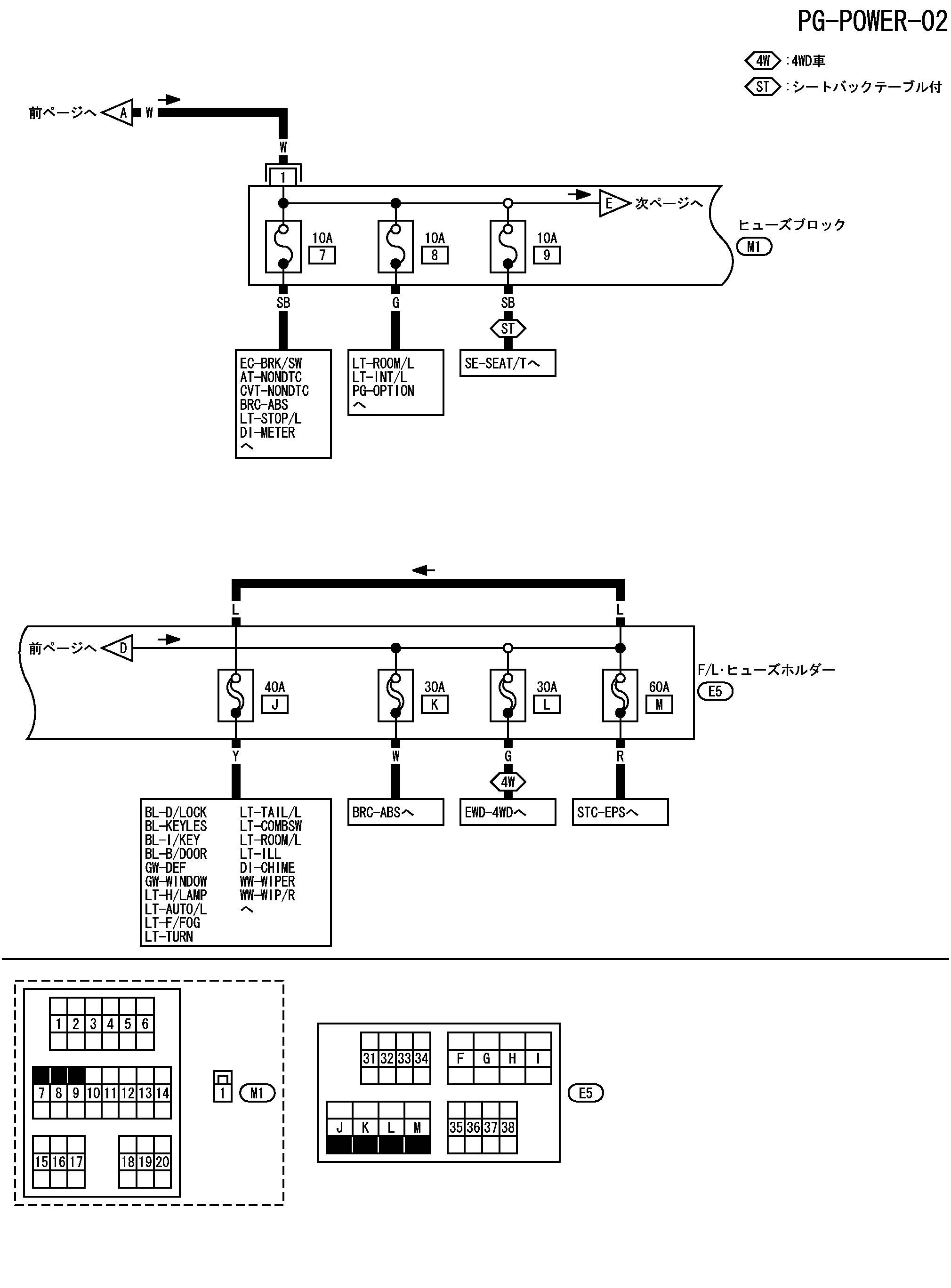
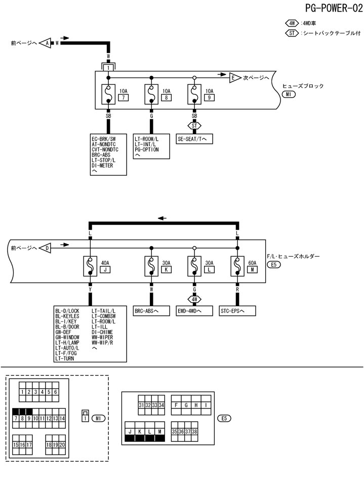
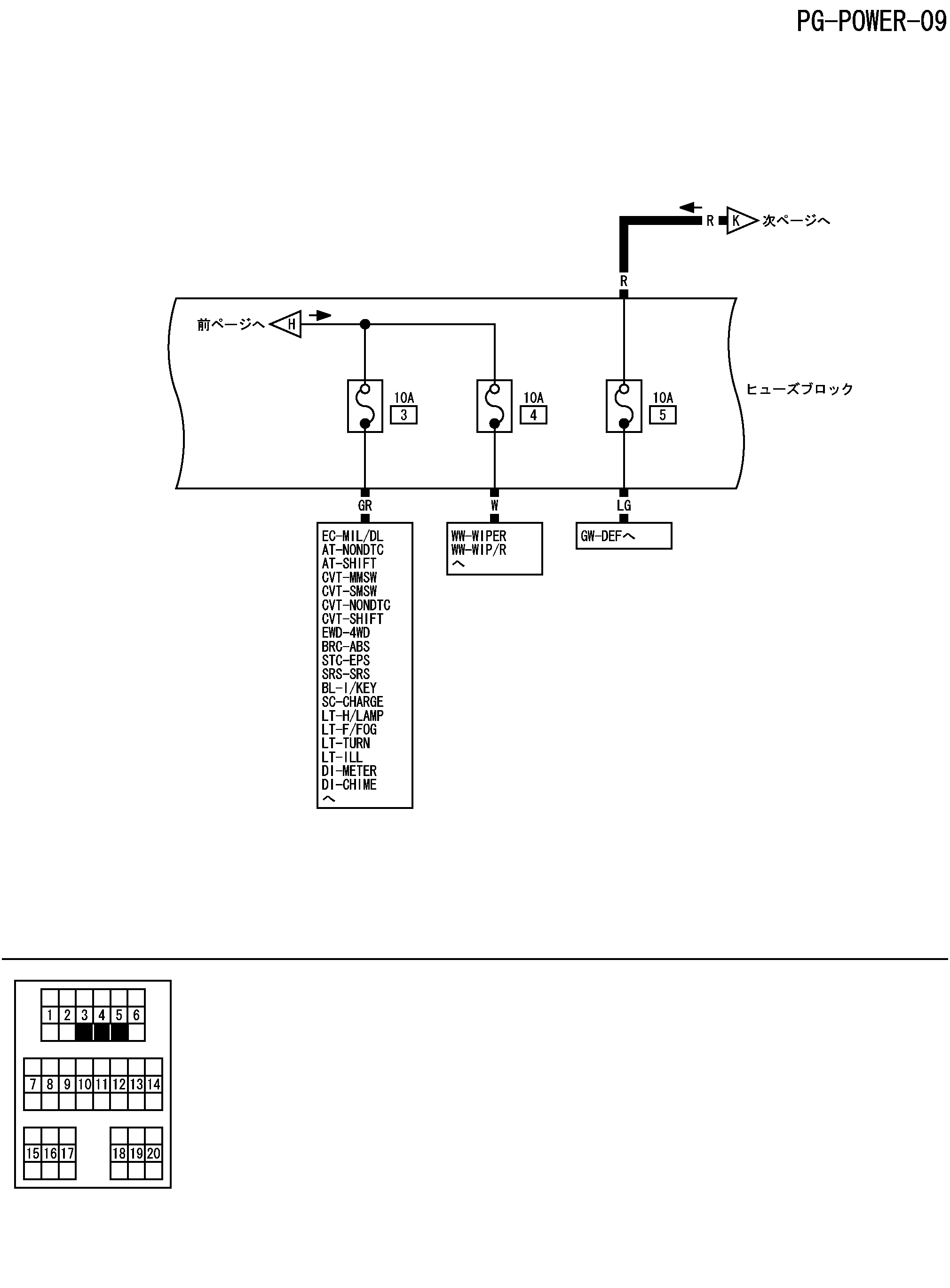
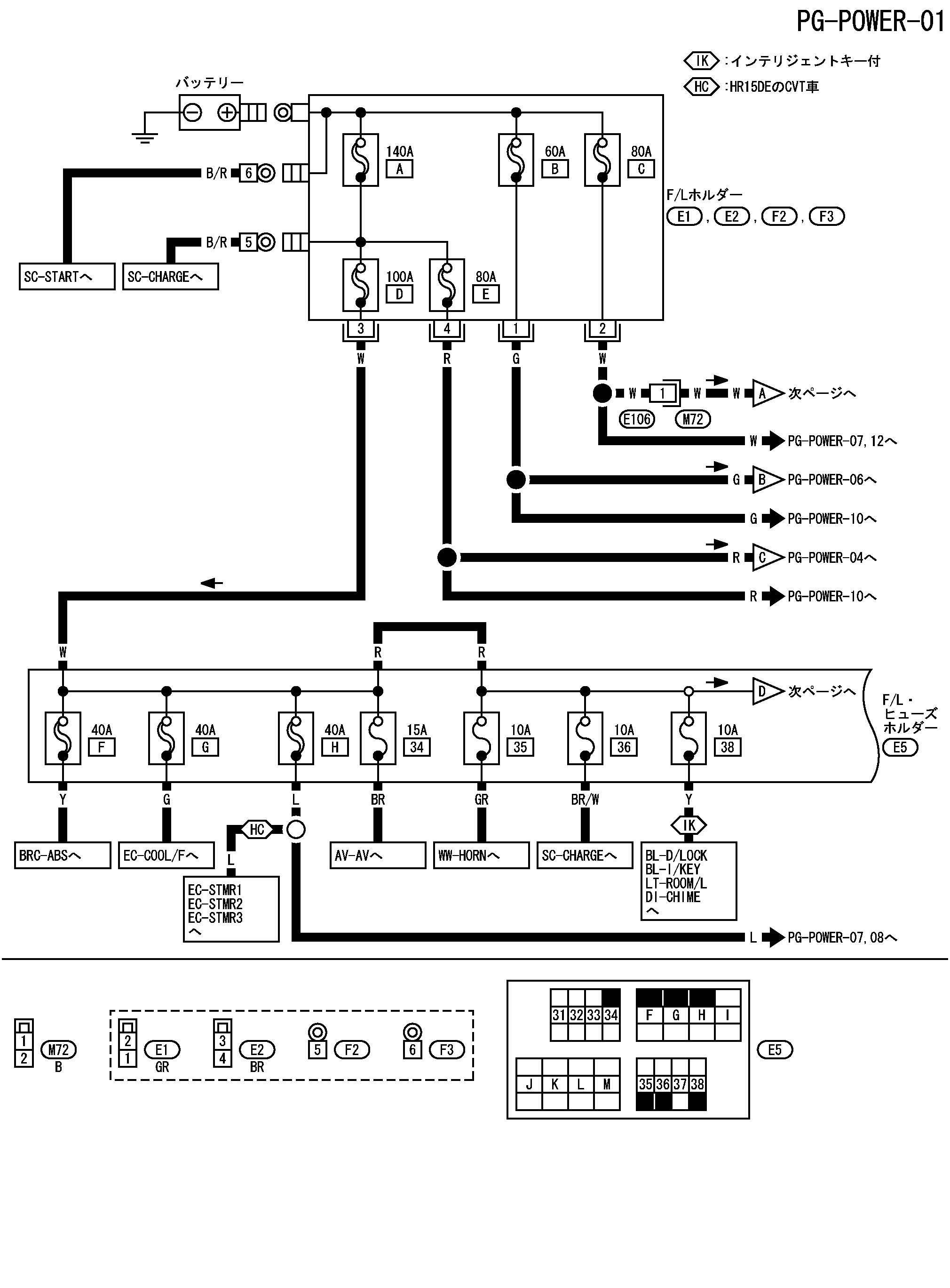
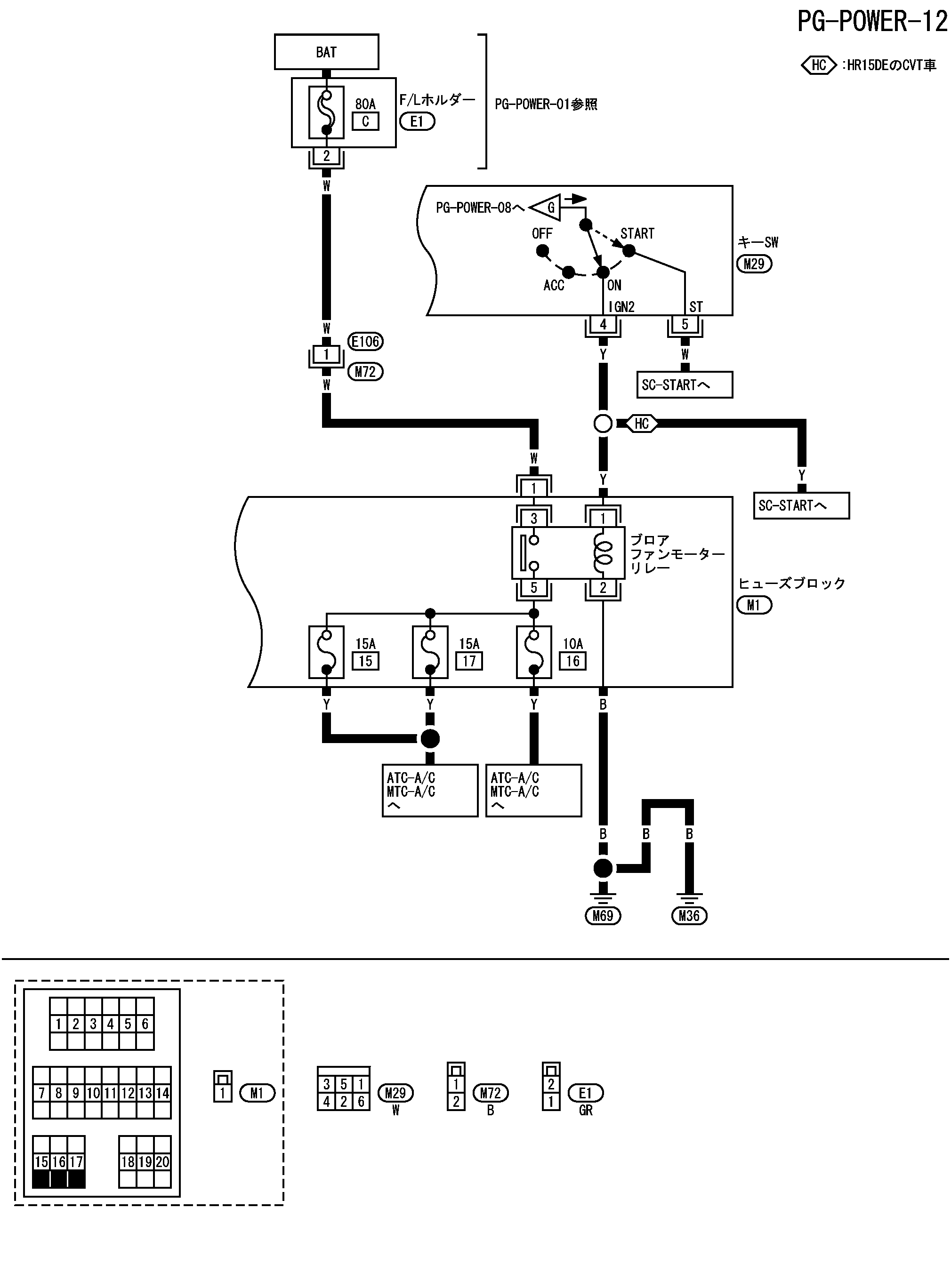
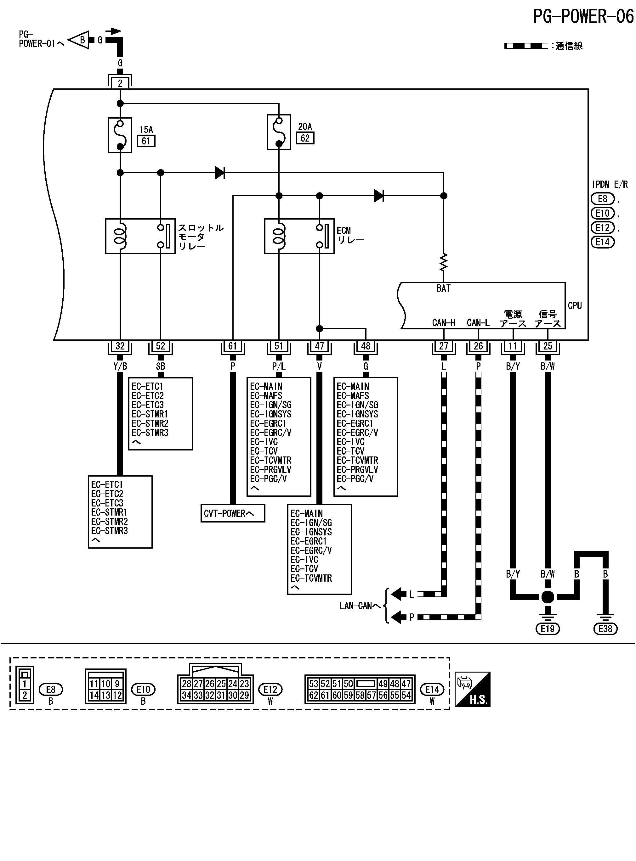
Схема подключения - питание - схема системы электропитания
Схема подключения - питание - схема системы электропитания
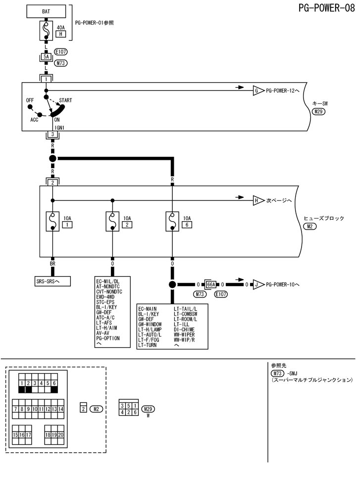
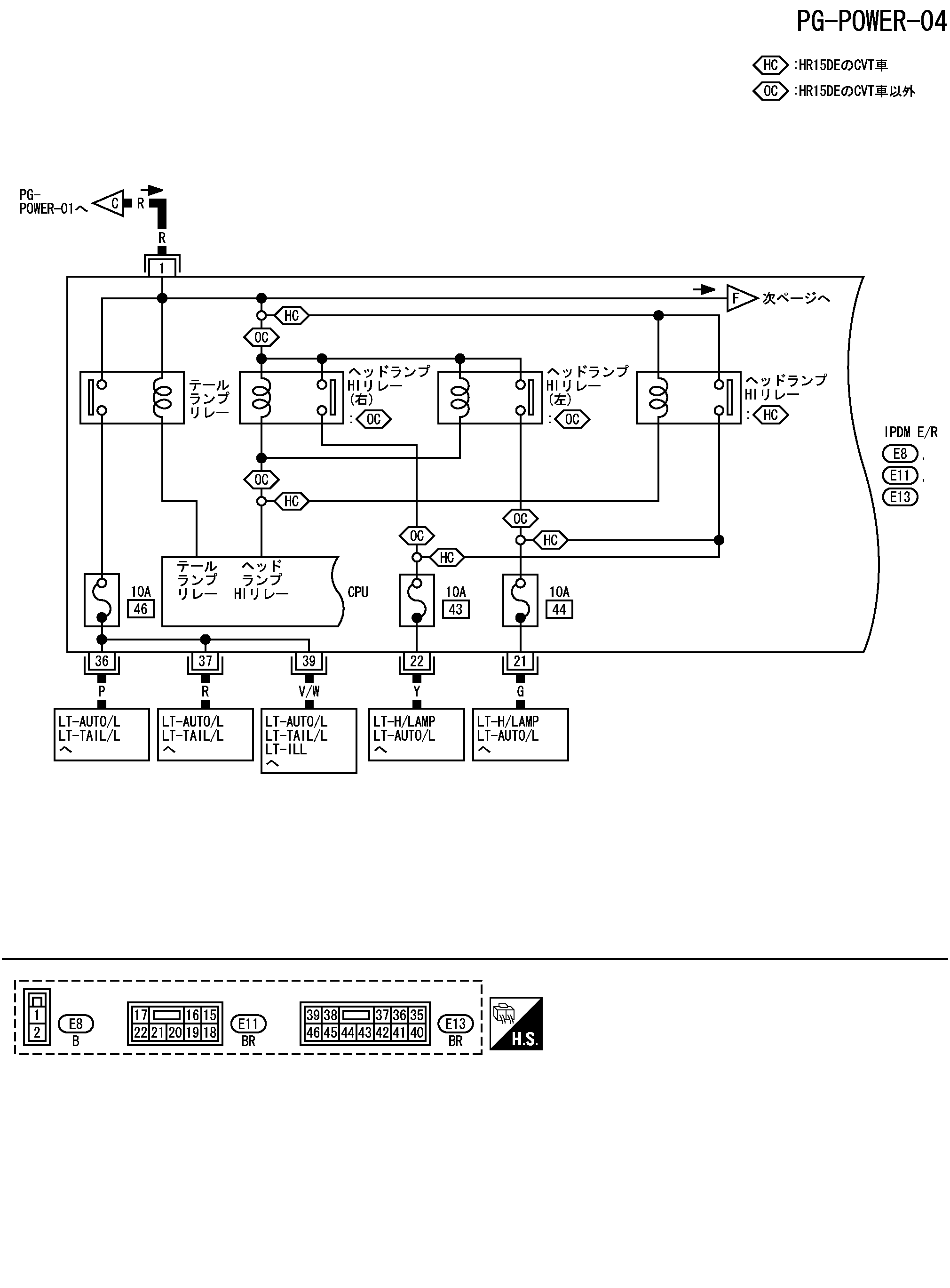
配線図 - POWER -
バッテリー電源系統図
📄
Открыть схему TKWB4442J.PDF
📄
Открыть схему TKWB2954J.PDF
📄
Открыть схему TKWB3561J.PDF
📄
Открыть схему TKWB4443J.PDF
📄
Открыть схему TKWB4444J.PDF
📄
Открыть схему TKWB4979J.PDF
アクセサリー電源系統図
📄
Открыть схему TKWB4446J.PDF
イグニッション/スタート電源系統図
📄
Открыть схему TKWB4447J.PDF
📄
Открыть схему TKWB2960J.PDF
📄
Открыть схему TKWB4448J.PDF
📄
Открыть схему TKWB4980J.PDF
📄
Открыть схему TKWB4616J.PDF
Предыдущий: Схема электрической системы
Назад
Следующий: Номер предохранителя Предохранитель и плавкая вставка
Вперед
Необходимо поставить все оценки
'Поставьте галочку "Я не робот"'
Оцените статью
Отлично
Хорошо
Нормально
Плохо
Ужасно
Ваше имя *
Ваш E-mail *
Текст комментария *
Добавить комментарий
Закрыть