ВИЗАТОР
Японские автомобильные аукционы с акцентом на Nissan NV150 AD VY12
Главная
Новости
FAQ
Аукционы
Руководства по ремонту
Nissan Wingroad Y12: полное руководство по ремонту и обслуживанию на русском языке
Поиск
Вы здесь:
Главная
Руководства по ремонту
Nissan Wingroad Y12: полное руководство по ремонту и обслуживанию на русском языке
Двигатель
Система управления двигателем
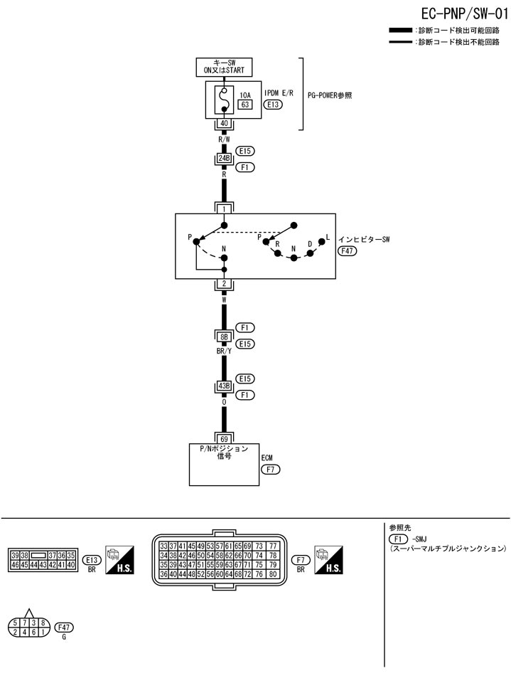
Схема подключения - pnp/sw - dtc p0850 Переключатель положения парковки/нейтрали
Схема подключения - pnp/sw - dtc p0850 Переключатель положения парковки/нейтрали
配線図 - PNP/SW -
📄
Открыть схему TBWB1509J.PDF
Предыдущий: Процедура выполнения самодиагностики альтернативный метод dtc p0850 Переключатель положения парковки/нейтрали
Назад
Следующий: Процедура диагностики неисправности dtc p0850 Выключатель положения парковки/нейтрали
Вперед
Необходимо поставить все оценки
'Поставьте галочку "Я не робот"'
Оцените статью
Отлично
Хорошо
Нормально
Плохо
Ужасно
Ваше имя *
Ваш E-mail *
Текст комментария *
Добавить комментарий
Закрыть