ВИЗАТОР
Японские автомобильные аукционы с акцентом на Nissan NV150 AD VY12
Главная
Новости
FAQ
Аукционы
Руководства по ремонту
Nissan Wingroad Y12: полное руководство по ремонту и обслуживанию на русском языке
Поиск
Вы здесь:
Главная
Руководства по ремонту
Nissan Wingroad Y12: полное руководство по ремонту и обслуживанию на русском языке
Двигатель
Система управления двигателем
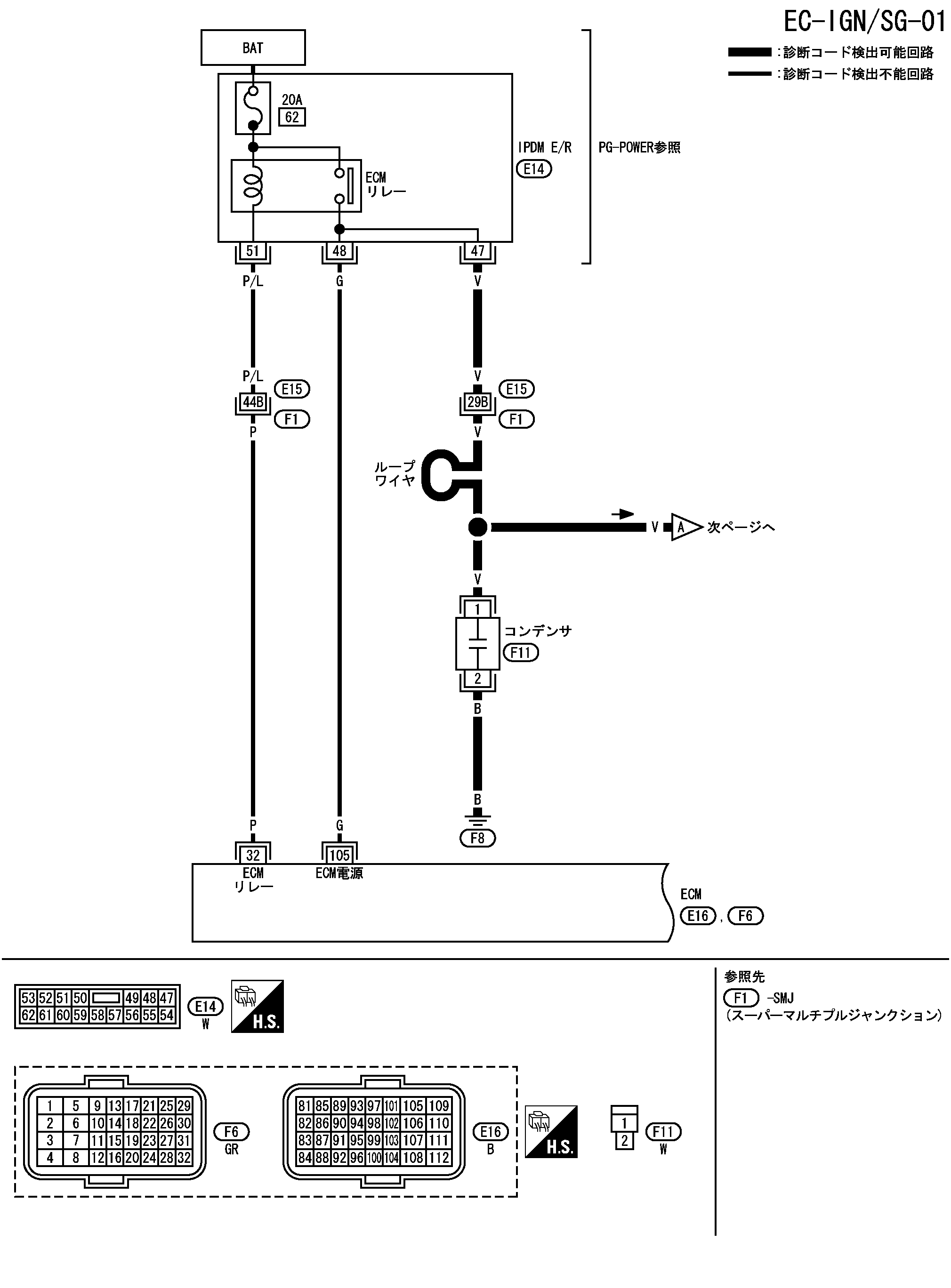
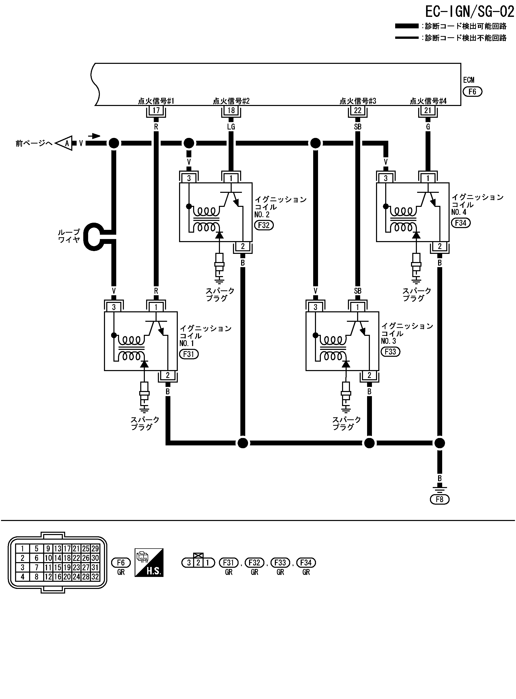
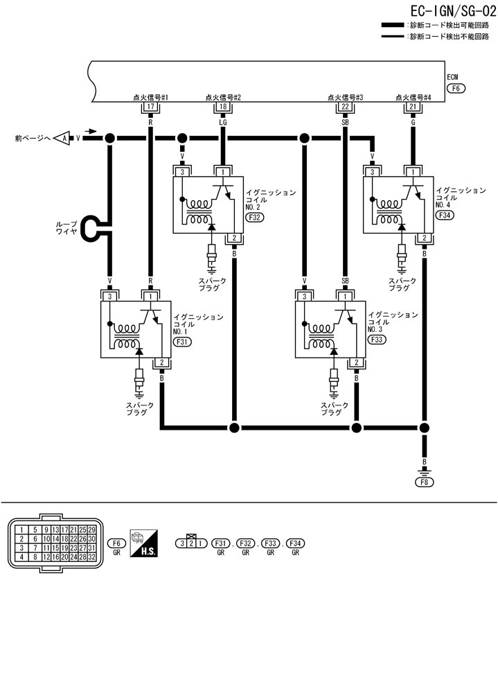
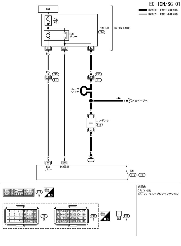
Схема подключения - ign/sg -dtc катушка зажигания p0350
Схема подключения - ign/sg -dtc катушка зажигания p0350
配線図 - IGN/SG -
📄
Открыть схему TBWB1256J.PDF
📄
Открыть схему TBWB1257J.PDF
Предыдущий: Порядок выполнения самодиагностики dtc p0350 катушки зажигания
Назад
Следующий: Процедура диагностики неисправности dtc p0350 катушка зажигания
Вперед
Необходимо поставить все оценки
'Поставьте галочку "Я не робот"'
Оцените статью
Отлично
Хорошо
Нормально
Плохо
Ужасно
Ваше имя *
Ваш E-mail *
Текст комментария *
Добавить комментарий
Закрыть