ВИЗАТОР
Японские автомобильные аукционы с акцентом на Nissan NV150 AD VY12
Главная
Новости
FAQ
Аукционы
Руководства по ремонту
Nissan Wingroad Y12: полное руководство по ремонту и обслуживанию на русском языке
Поиск
Вы здесь:
Главная
Руководства по ремонту
Nissan Wingroad Y12: полное руководство по ремонту и обслуживанию на русском языке
Двигатель
Система управления двигателем
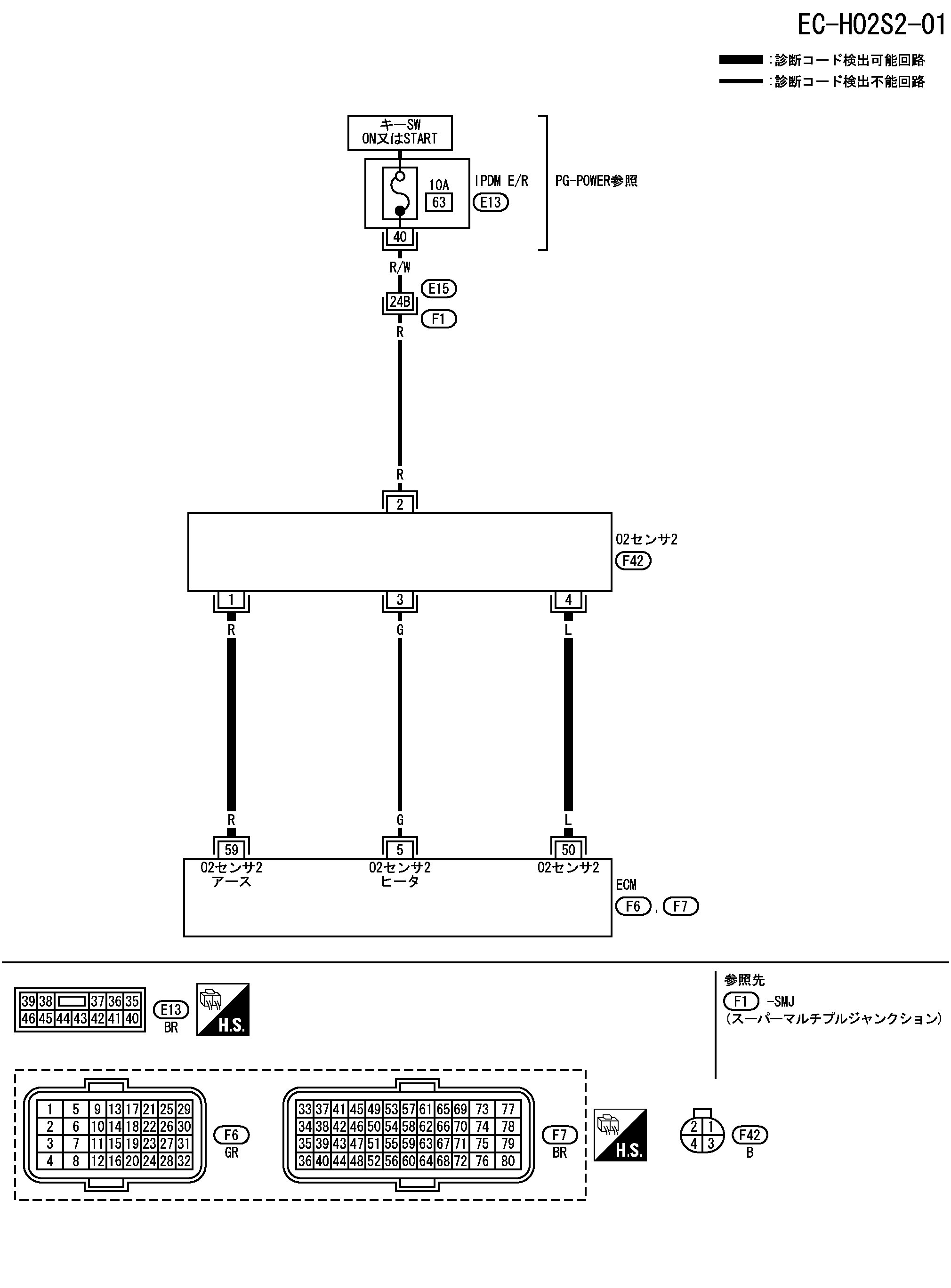
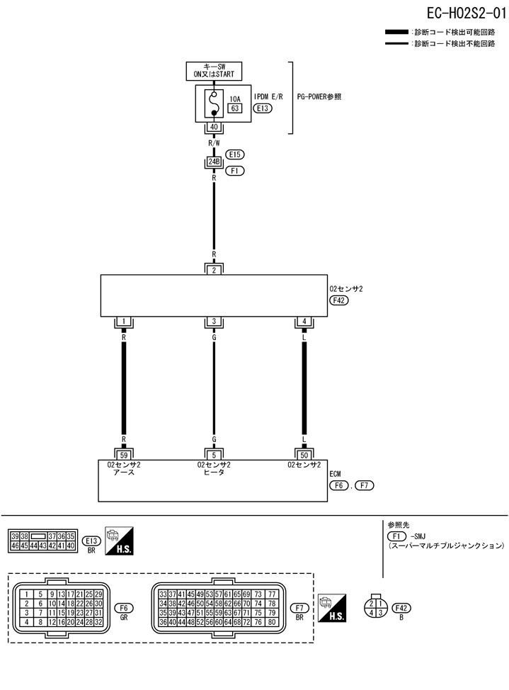
Схема подключения -ho2s2-dtc p0137 датчик o2 2
Схема подключения -ho2s2-dtc p0137 датчик o2 2
配線図 -HO2S2-
📄
Открыть схему TBWB1496J.PDF
Предыдущий: Процедура выполнения самодиагностики альтернативный метод dtc p0137 датчик 2 о2
Назад
Следующий: Процедура диагностики неисправности dtc p0137 датчик o2 2
Вперед
Необходимо поставить все оценки
'Поставьте галочку "Я не робот"'
Оцените статью
Отлично
Хорошо
Нормально
Плохо
Ужасно
Ваше имя *
Ваш E-mail *
Текст комментария *
Добавить комментарий
Закрыть