ВИЗАТОР
Японские автомобильные аукционы с акцентом на Nissan NV150 AD VY12
Главная
Новости
FAQ
Аукционы
Руководства по ремонту
Nissan Wingroad Y12: полное руководство по ремонту и обслуживанию на русском языке
Поиск
Вы здесь:
Главная
Руководства по ремонту
Nissan Wingroad Y12: полное руководство по ремонту и обслуживанию на русском языке
Двигатель
Система управления двигателем
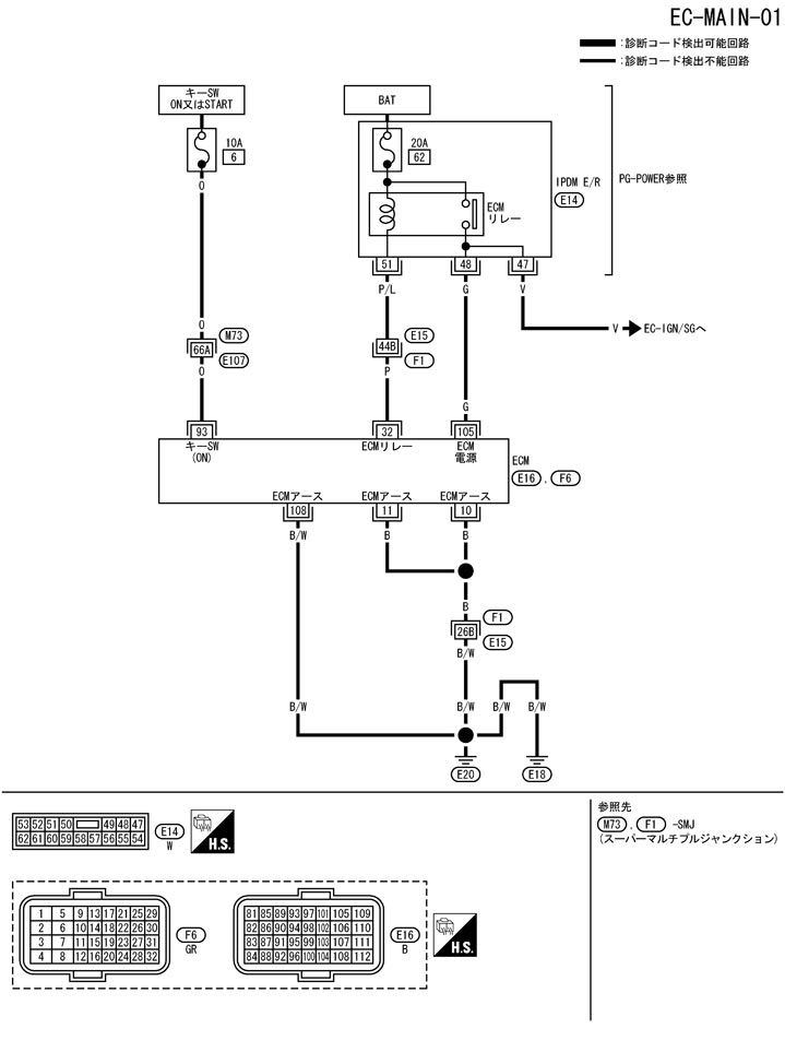
Схема подключения — главная — цепь питания и массы модуля ECM
Схема подключения — главная — цепь питания и массы модуля ECM
配線図 - MAIN -
📄
Открыть схему TBWB1313J.PDF
Предыдущий: Опорное значение входного/выходного сигнала ЭСУД Электропитание ЭСУД и цепь массы
Назад
Следующий: Процедура диагностики неисправностей Цепь питания и массы ECM
Вперед
Необходимо поставить все оценки
'Поставьте галочку "Я не робот"'
Оцените статью
Отлично
Хорошо
Нормально
Плохо
Ужасно
Ваше имя *
Ваш E-mail *
Текст комментария *
Добавить комментарий
Закрыть