ВИЗАТОР
Японские автомобильные аукционы с акцентом на Nissan NV150 AD VY12
Главная
Новости
FAQ
Аукционы
Руководства по ремонту
Nissan Wingroad Y12: полное руководство по ремонту и обслуживанию на русском языке
Поиск
Вы здесь:
Главная
Руководства по ремонту
Nissan Wingroad Y12: полное руководство по ремонту и обслуживанию на русском языке
Двигатель
Система управления двигателем
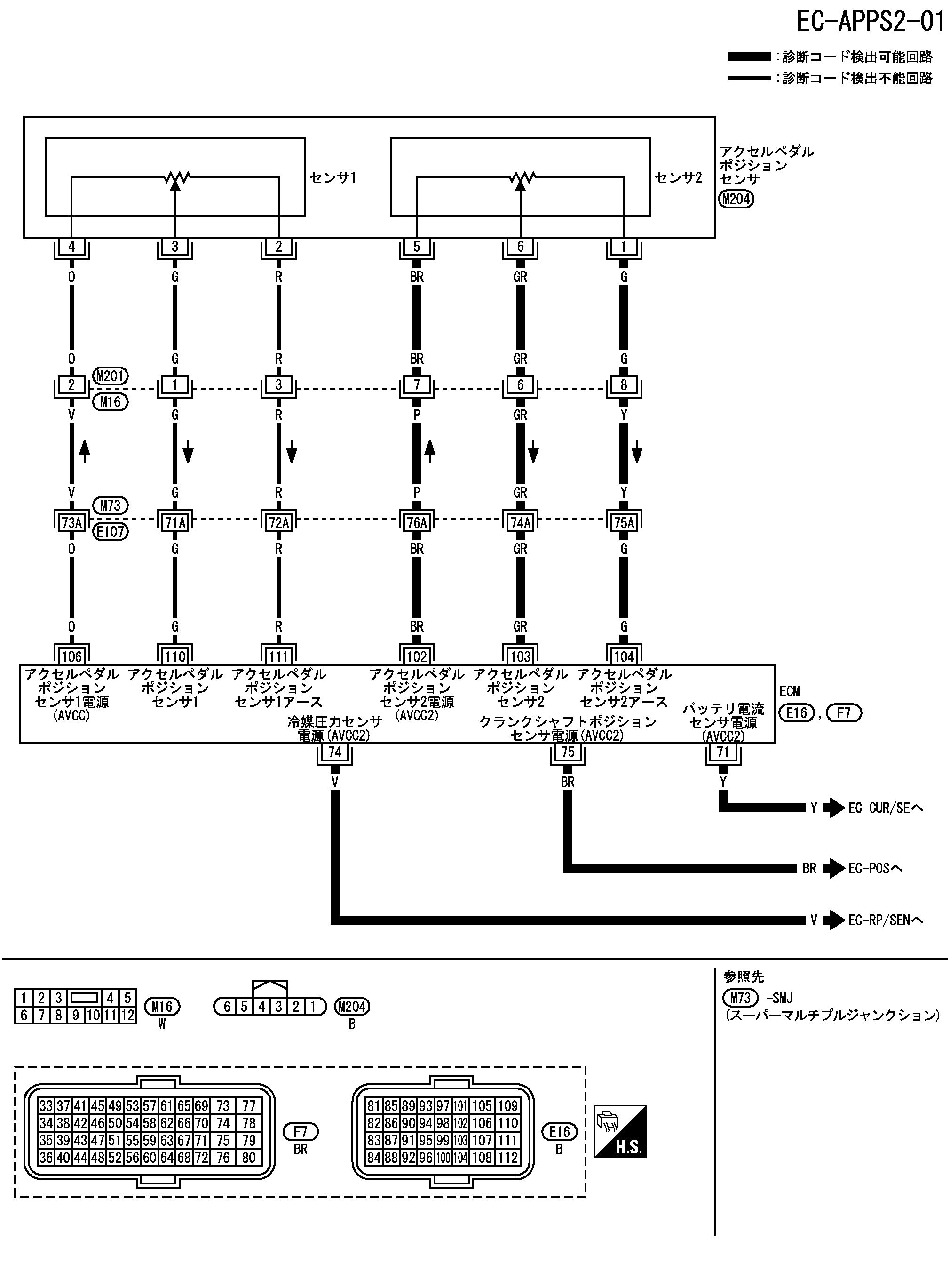
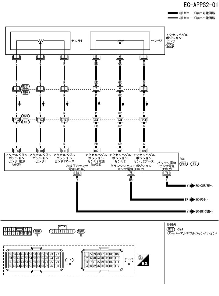
Схема подключения - apps2 - dtc p2127, p2128 датчик положения педали акселератора
Схема подключения - apps2 - dtc p2127, p2128 датчик положения педали акселератора
配線図 - APPS2 -
📄
Открыть схему TBWB1302J.PDF
Предыдущий: Процедура проведения самодиагностики dtc p2127, p2128 датчик положения педали акселератора
Назад
Следующий: Процедура диагностики неисправности dtc p2127, p2128 датчик положения педали акселератора
Вперед
Необходимо поставить все оценки
'Поставьте галочку "Я не робот"'
Оцените статью
Отлично
Хорошо
Нормально
Плохо
Ужасно
Ваше имя *
Ваш E-mail *
Текст комментария *
Добавить комментарий
Закрыть