Процедура диагностики неисправности


 
 1.エンジン始動の点検
キースイッチをONにし、エンジンを始動する。
エンジンは始動したか?

YES>>
  • CONSULT-IIIを使用する場合は2へ
  • CONSULT-IIIを使用しない場合は3へ

NO>>4へ

 
 2.異常のある回路の判別
CONSULT-IIIを使用する場合
CONSULT-IIIの“アクティブテスト”モードで“パワーバランス”を実施する。
瞬間的なエンジン回転数の低下を生じないシリンダはあるか?

YES>>9へ

NO>>14へ

 
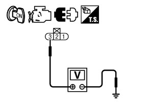
 3.異常のある回路の判別
CONSULT-IIIを使用しない場合
  1. エンジンをアイドル回転させる。
  2. オシロスコープを用いてECM17番、18番、21番、22番端子とアース間の電圧信号を読み取る。
    PBIA9567J.JPG
  3. オシロスコープの画面に下記の信号波形が表示されるか確認する。
    参考:
    パルス周期はアイドル回転数により変化する。

    PBIA9892J.JPG
点検結果

OK>>14へ

NG>>9へ

 
 4.イグニッションコイル電源回路の点検-I
  1. キースイッチをOFFにし、10秒以上待ち、再びONにする。
  2. CONSULT-IIIまたはテスタを用いて、ECM105番とアース間の電圧を点検する。
    PBIA9575J.JPG

    電圧値: バッテリ電圧

点検結果

OK>>5へ

NG>>ECMの電源回路を点検する。(故障診断要領を参照。)

 
 5.イグニッションコイル電源回路の点検-II
  1. キースイッチをOFFにする。
  2. コンデンサハーネスコネクタを外す。
    PBIA9871J.JPG

  3. キースイッチをONにする。
  4. CONSULT-IIIまたはテスタを用いて、コンデンサ1番端子とアース間の電圧を点検する。
    PBIA8594J.JPG

PBIA9601J.JPG

電圧値: バッテリ電圧

点検結果

OK>>8へ

NG>>6へ

 
 6.イグニッションコイル電源回路の点検-III
  1. キースイッチをOFFにする。
  2. IPDM E/RハーネスコネクタE14を外す。
  3. 配線図を参考に、IPDM E/R 47番端子とコンデンサ1番端子間のハーネスの導通を点検する。
    導通あり

  4. ハーネスの短絡についても点検する。
点検結果

OK>>14へ

NG>>7へ

 
 7.不具合箇所の検出
下記項目を点検する。
  • ハーネスコネクタE15、F1
  • IPDM E/Rとコンデンサ間のハーネスの断線および短絡

>>ハーネスまたはコネクタの断線または短絡を修理する。

 
 8.コンデンサアース回路の断線、短絡の点検
  1. キースイッチをOFFにする。
  2. 配線図を参考に、コンデンサ2番端子とアース間のハーネスの導通を点検する。
    導通あり

  3. ハーネスの短絡についても点検する。
点検結果

OK>>9へ

NG>>ハーネスまたはコネクタの断線または短絡を修理する。

 
 9.イグニッションコイル電源回路の点検-Ⅳ
  1. キースイッチをOFFにする。
  2. 外した全ハーネスコネクタを接続し直す。
  3. イグニッションコイルのハーネスコネクタを外す。
    PBIA9869J.JPG

  4. キースイッチONにする。
  5. CONSULT-IIIまたはテスタを用いて、イグニッションコイル3番端子とアース間の電圧を点検する。
    PBIA9602J.JPG

    電圧値: バッテリ電圧

点検結果

OK>>11へ

NG>>10へ

 
 10.不具合箇所の検出
下記項目を点検する。
  • イグニッションコイルとハーネスコネクタF1間のハーネスの断線および短絡

>>ハーネスまたはコネクタの断線または短絡を修理する。

 
 11.イグニッションコイルアース回路の断線、短絡の点検
  1. キースイッチをOFFにする。
  2. 配線図を参考に、イグニッションコイル2番端子とアース間のハーネスの導通を点検する。
    導通あり

  3. ハーネスの電源への短絡についても点検する。
点検結果

OK>>12へ

NG>>ハーネスまたはコネクタの断線または電源への短絡を修理する。

 
 12.イグニッションコイル出力信号回路の断線、短絡の点検
  1. ECMハーネスコネクタを外す。
  2. 配線図を参考に、ECM17番、18番、21番、22番端子とイグニッションコイル1番端子間のハーネスの導通を点検する。
    導通あり

  3. ハーネスの短絡についても点検する。
点検結果

OK>>13へ

NG>>ハーネスまたはコネクタの断線または短絡を修理する。

 
 13.イグニッションコイルの点検
構成部品点検を参照。
点検結果

OK>>14へ

NG>>異常のあるパワートランジスタ内蔵イグニッションコイルを交換する。

 
 14.間欠不具合の点検
故障診断−間欠不具合を参照。

>>点検終了

Оцените статью