ВИЗАТОР
Японские автомобильные аукционы с акцентом на Nissan NV150 AD VY12
Главная
Новости
FAQ
Аукционы
Руководства по ремонту
Nissan Wingroad Y12: полное руководство по ремонту и обслуживанию на русском языке
Поиск
Вы здесь:
Главная
Руководства по ремонту
Nissan Wingroad Y12: полное руководство по ремонту и обслуживанию на русском языке
Двигатель
Двигатель механическая часть
Схема системы основного движения Система корпуса двигателя
Схема системы основного движения Система корпуса двигателя
Принципиальная схема системы двигателя
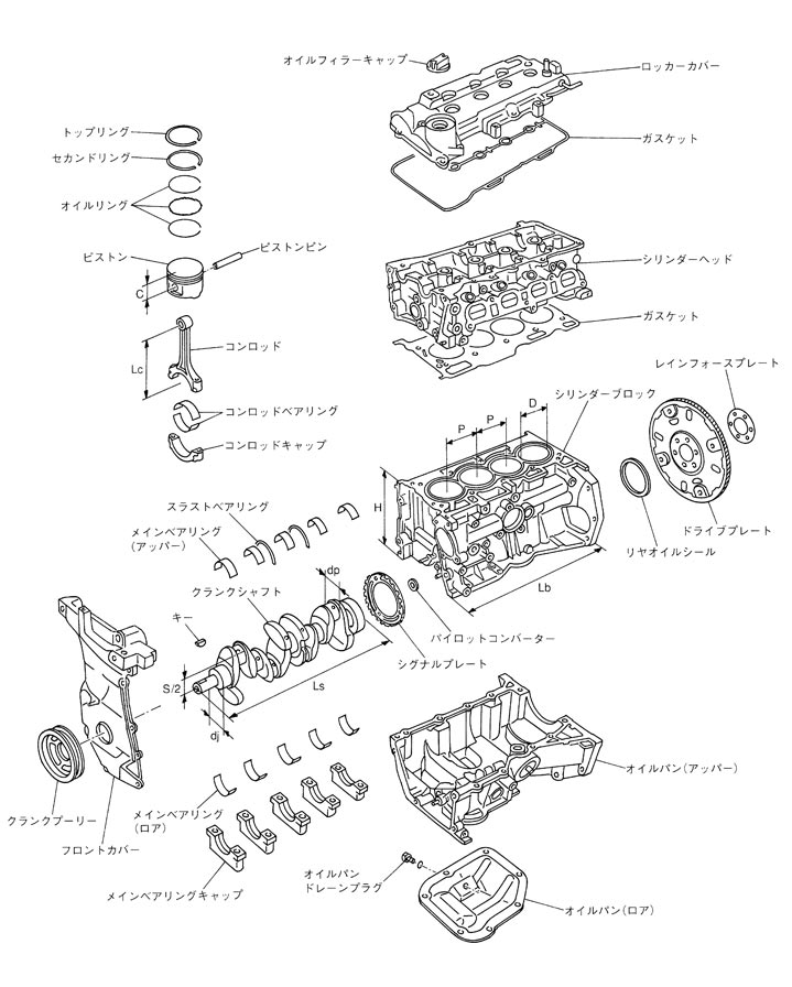
概要
アルミダイカスト製シリンダーブロック、アルミ合金製シリンダーヘッド等の採用により、軽量化を図った。
クランクシャフト、コンロッド各ベアリング部及びピストンリング等の摺動部のフリクションを低減し、燃費、出力向上を図った。
主な部品構成図
主運動系寸法一覧
シリンダーブロック高さ(クランクシャフト中心より)
H(mm)
200.0
シリンダーブロック全長
Lb(mm)
394.0
ボア間ピッチ
P(mm)
85.0
シリンダーボア径
D(mm)
φ78.0
ストローク
S(mm)
78.4
クランクシャフトジャーナル径
dj(mm)
φ48.0
クランクシャフトピン径
dp(mm)
φ40.0
クランクシャフト全長
Ls(mm)
432.2
ピストンコンプレッションハイト
C(mm)
28.68
コンロッド中心間距離
Lc(mm)
132.48
Предыдущий: Положение штамповки двигателя Система корпуса двигателя
Назад
Следующий: Схема системы клапанного механизма Система корпуса двигателя
Вперед
Необходимо поставить все оценки
'Поставьте галочку "Я не робот"'
Оцените статью
Отлично
Хорошо
Нормально
Плохо
Ужасно
Ваше имя *
Ваш E-mail *
Текст комментария *
Добавить комментарий
Закрыть