ВИЗАТОР
Японские автомобильные аукционы с акцентом на Nissan NV150 AD VY12
Главная
Новости
FAQ
Аукционы
Руководства по ремонту
Nissan Wingroad Y12: полное руководство по ремонту и обслуживанию на русском языке
Поиск
Вы здесь:
Главная
Руководства по ремонту
Nissan Wingroad Y12: полное руководство по ремонту и обслуживанию на русском языке
Двигатель
Двигатель механическая часть
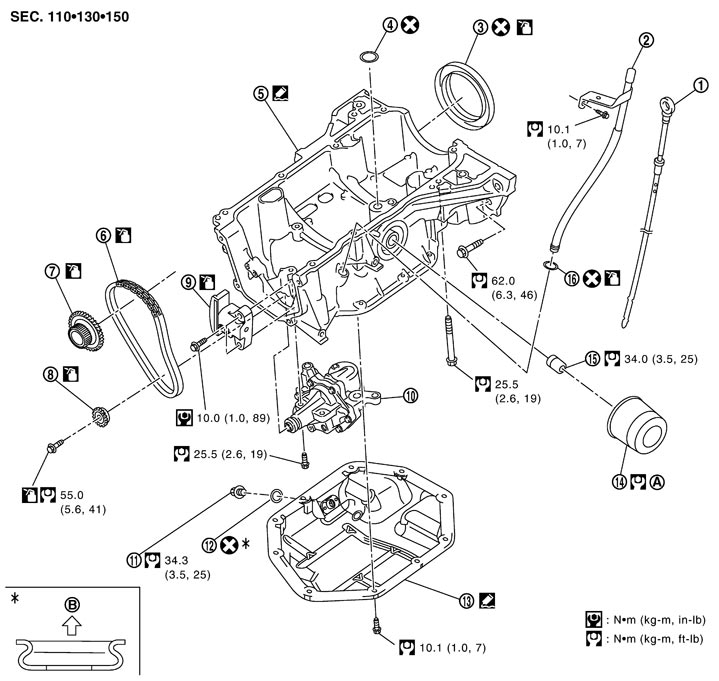
Схема конфигурации масляного поддона
Схема конфигурации масляного поддона
Схема конфигурации
📄
Открыть схему PBIC4463J.PDF
1.
オイルレベルゲージ
2.
オイルレベルゲージガイド
3.
リヤオイルシール
4.
Oリング
5.
オイルパン(アッパー)
6.
オイルポンプドライブチェーン
7.
クランクスプロケット
8.
オイルポンプスプロケット
9.
チェーンテンショナー(オイルポンプ用)
10.
オイルポンプ
11.
オイルパンドレーンプラグ
12.
ワッシャー
13.
オイルパン(ロア)
14.
オイルフィルター
15.
オイルフィルタースタッド
16.
Oリング
A.
オイルフィルター
参照
B.
オイルパン側
構成図内のシンボルマークについては、GI編
構成図の見方
を参照する。
Предыдущий: Осмотр выпускного коллектора
Назад
Следующий: Снятие и установка масляного поддона
Вперед
Необходимо поставить все оценки
'Поставьте галочку "Я не робот"'
Оцените статью
Отлично
Хорошо
Нормально
Плохо
Ужасно
Ваше имя *
Ваш E-mail *
Текст комментария *
Добавить комментарий
Закрыть