ВИЗАТОР
Новости японской автоиндустрии
  • Главная
  • Новости
  • FAQ
  • Аукционы
  • Руководства по ремонту
    • Nissan Wingroad Y12: полное руководство по ремонту и обслуживанию на русском языке
  1. Вы здесь:  
  2. Главная
  3. Руководства по ремонту

Таблица технических характеристик (Часть 2) Таблица технических характеристик

Информация о материале
Категория: Общая информация

Таблица технических характеристик (часть 2)

 
 DBA-Y12

最低地上高
(m)
0.150(標準車高仕様)
0.160(高車高仕様)
最高速度
(km/h)
175(推定);自動4速
180(推定);無段変速
燃料消費率
(km/L)
10・15モード
16.6;自動4速
18.0;無段変速
制動停止距離
(m){初速(km/h)}
55{100}
最小回転半径
(m)
4.7:175/70R14 84S
5.2:185/65R15 88S
5.2:195/55R16 86V


 
 DBA-JY12

最低地上高
(m)
0.160
最高速度
(km/h)
180(推定)
燃料消費率
(km/L)
10・15モード
14.8(車両重量1270kg以上)
16.2
制動停止距離
(m){初速(km/h)}
55{100}
最小回転半径
(m)
5.2


 
 DBA-NY12

最低地上高
(m)
0.150(標準車高仕様)
0.160(高車高仕様)
最高速度
(km/h)
175(推定)
燃料消費率
(km/L)
10・15モード
14.6
制動停止距離
(m){初速(km/h)}
53{100}
最小回転半径
(m)
4.7:175/70R14 84S
5.2:185/65R15 88S
5.2:195/55R16 86V

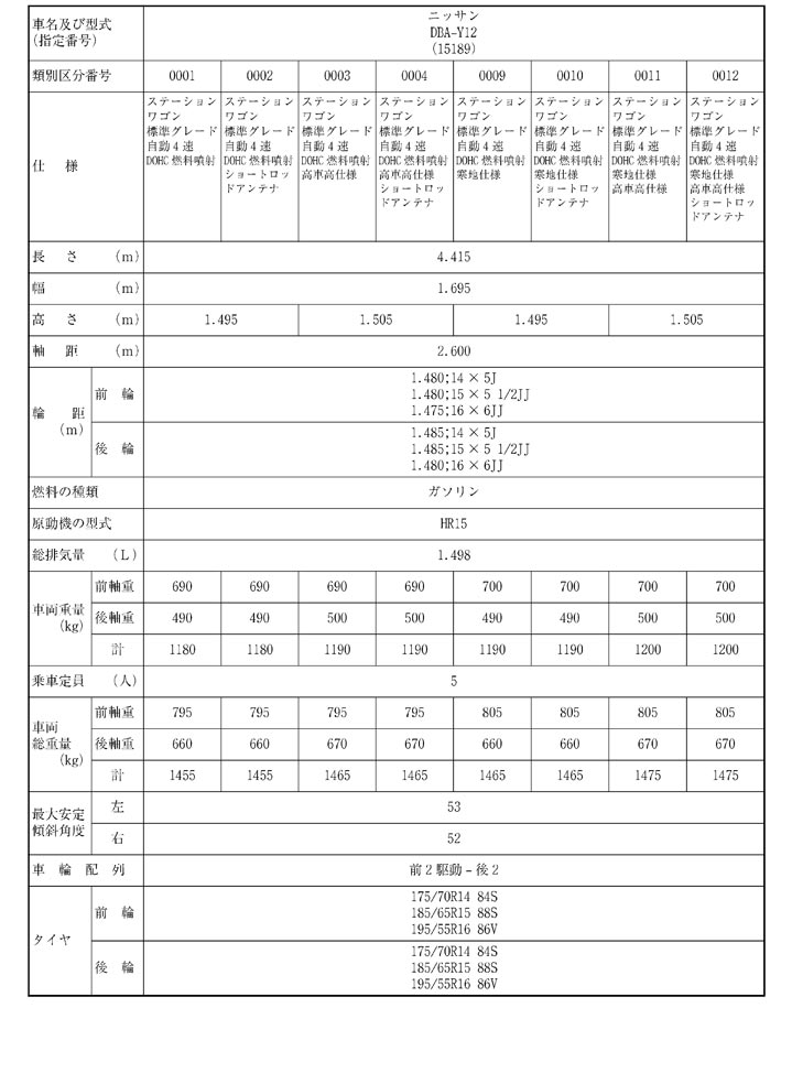
Таблица технических характеристик (Часть 1) Таблица технических характеристик

Информация о материале
Категория: Общая информация

Таблица технических характеристик (часть 1)


SAIA1043J.JPG


SAIA1044J.JPG


SAIA1045J.JPG


SAIA1046J.JPG


SAIA1047J.JPG


SAIA1048J.JPG


SAIA1049J.JPG


SAIA1050J.JPG


SAIA1051J.JPG


SAIA1052J.JPG


SAIA1053J.JPG


SAIA1054J.JPG


SAIA1055J.JPG

Штамповка стартового номера штамповки шасси автомобиля

Информация о материале
Категория: Общая информация

Стартовый номер штамповки шасси автомобиля



打刻位置
:カウルトップパネル右側


生産工場
:日産車体(株)湘南工場


SAIA1018J.JPG


車種型式
車台打刻実施始番号
DBA-Y12型
Y12-000001~
DBA-JY12型
JY12-000001~
DBA-NY12型
NY12-000001~

Список выпущенных моделейСписок выпущенных моделей

Информация о материале
Категория: Общая информация

Список выпущенных моделей


SAIA1081J.JPG


SAIA1082J.JPG


SAIA1083J.JPG

Список дополнительных символов. Объяснение символов модели автомобиля.

Информация о материале
Категория: Общая информация

Список символов опций


グレード毎の装備は主要装備一覧表 を参照してください。

○:標準 △:メーカーオプション
車体形状
ステーションワゴン
駆動方式
2WD
4WD
2WD
4WD
エンジン型式
HR15DE
MR18DE
HR15DE
MR18DE
HR15DE
グレード
15RX
エ
ア
ロ
18RX
エ
ア
ロ
15RX
FOUR
エ
ア
ロ
15RS

15RX

18RX

15RS
FOUR

15RX
FOUR

表示桁
記号
項目
14桁目
—
標準仕様
○
○
○
○
○
○
○
○
A
プラズマクラスターイオン® フルオートエアコン
△
△
△
△
△
△
△
△
B
トノカバー&ラゲッジフック2個
△
△
△
△
△
△
△
△
C
リモコンフォールディングシートシステム






△
△
△
△
△

注1、2
D
A+B

△
△
△
△
△
△
△
△
E
A+C

注1、2



△
△
△
△
△
F
B+C

注1、2



△
△
△
△
△
G
A+B+C

注1、2



△
△
△
△
△
15桁目
—
標準仕様
○
○
○
○
○
○
○
○
A
キセノンヘッドランプ(オートレベライザー付)+アクティブAFS(アダプティブ・フロントライティング・システム)
△
△
△
△
△
△
△
△
B
フロントバンパー組込みフォグランプ
△
△
△
△
△
△
△
△
C
プライバシーガラス<リヤドア、リヤサイド、バックドア>(UVカット断熱機能付)
△


△
D
A+B


△
△
△
△
△
△
△
△
E
A+C


△

△
F
B+C


△

△
G
A+B+C


△

△
16桁目
—
標準仕様


○
○
○
○
○
○
○
○
A
16インチアルミロードホイール
&195/55R16 86Vタイヤ
△

△
△
△
△
△
△
B
ルーフスポイラー
&LED式ハイマウントストップランプ
△
△
△




C
A+B
△
△


*「プラズマクラスター® イオン」はシャープ株式会社の登録商標です。
  • 注1:リモコンフォールディングシートシステムの内容運転席シートリフター(RSのみ)、助手席シートバックテーブル&コンビニフック、リモコン可倒式助手席シート、リヤーシートスライド(RSのみ)、リモコン可倒式リヤシート(RSのみ)
  • 注2:15RS/15RX/18RX/15RS FOUR/15RX FOURには助手席シート前倒れ機構はありません。リモコンフォールディングシートシステムを装着した場合は装着されます。


○:標準 △:メーカーオプション
車体形状
ステーションワゴン
駆動方式
2WD
4WD
2WD
4WD
エンジン型式
HR15DE
MR18DE
HR15DE
MR18DE
HR15DE
グレード
15RX
エ
ア
ロ
18RX
エ
ア
ロ
15RX
FOUR
エ
ア
ロ
15RS

15RX

18RX

15RS
FOUR

15RX
FOUR

表示桁
記号
項目
17桁目
—
標準仕様
○
○
○
○
○
○
○
○
A
CD一体AM/FM電子チューナーラジオ
(デジタル時計<ON/OFF切替タイプ>組込み
△
△
△
△
△
△
△
△
B
MD・CD一体AM/FM電子チューナーラジオ(6スピーカー、MP3/WMA再生機能付、サウンドフォーカス、デジタル時計<ON/OFF切替タイプ>組込み)
△
△
△
△
注1
△
注1
△
注1
△
注1
△
注1
C
B+ETCユニット(ノンストップ自動料金支払いシステム)
△
△
△
△
注1
△
注1
△
注1
△
注1
△
注1
D
カーウイングスナビゲーションシステム<DVD方式>(7インチワイド液晶モニター、TV,ハンズフリーフォン、VICS[FM多重]、ボイスコマンド、Bluetooth® 、車両情報表示機能付)   注2
△
注4
△
注4
△
注4
△
注3
△
注3
△
注3
E
D+ETCユニット(ノンストップ自動料金支払いシステム)  注2
△
注4
△
注4
△
注4
△
注3
△
注3
△
注3
F
D+バックビューモニター&サイドブラインドモニター   注2
△
注4
△
注4
△
注4
△
注3
△
注3
△
注3
G
D+バックビューモニター&サイドブラインドモニター+ETCユニット(ノンストップ自動料金支払いシステム)   注2
△
注4
△
注4
△
注4
△
注3
△
注3
△
注3
18桁目
—
標準仕様
○
○
○
○
○
○
○
○
A
インテリジェントキー(運転席・助手席・バックドア感知、作動確認機能付)&エンジンイモビライザー
△
△
△
△
△
△
△
△
B
運転席・助手席SRSカーテンエアバッグシステム
△
△
△
△
△
△
△
△
C
A+B
△
△
△
△
△
△
△
△
*「Bluetooth® 」は米国Bluetooth SIG,Inc.の登録商標です。
  • 注1:ルーフアンテナ(ロッドタイプ[18RXエアロ/15RXエアロ/15RX FOURエアロは標準装備])がセットオプションです。
  • 注2:カーウイングスナビゲーションシステム<DVD方式>を装着した場合はインストアッパーボックス(リッド付) は装備されません。
  • 注3:ステアリングスイッチ&ルーフアンテナ(ロッドタイプ[18RXエアロ/15RXエアロ/15RX FOURエアロは標準装備])がセットオプションです。
  • 注4:ステアリングスイッチがセットオプションです。

  1. Перечень обозначений моделей. Пояснения к обозначениям моделей.
  2. Обзор основного оборудования автомобиля
  3. Обзор нового механического автомобиля
  4. Обзор высокопроизводительного автомобиля

Подкатегории

Nissan Wingroad Y12: полное руководство по ремонту и обслуживанию на русском языке

Общая информация

Общая информация

Двигатель

Выхлопная система

Двигатель механическая часть

Система охлаждения

Система смазки

Система управления двигателем

Топливная система

Управление акселератором

Трансмиссия

Автоматическая коробка передач (A/T)

Вариатор (CVT)

Привод и мосты

Задний мост и приводные валы

Передний мост и приводные валы

Электрический привод колес

Подвеска

Задняя подвеска

Колеса и шины

Передняя подвеска

Тормоза

Система управления тормозами

Стояночный тормоз

Тормозная система

Рулевое управление

Гидроусилитель руля

Система управления рулевым механизмом

Системы защиты пассажиров

Подушки безопасности SRS

Ремни безопасности

Кузов

Кузов, замки, безопасность

Приборная панель

Сиденья

Стекла, окна, зеркала

Экстерьер и интерьер

Кондиционирование

Автоматический кондиционер

Ручной кондиционер

Электрооборудование

Аудио-визуальная система

Информационная система водителя

Питание, заземление, электрические компоненты

Сеть LAN (CAN)

Система запуска и зарядки

Система освещения

Система управления кузовом

Стеклоочистители, омыватели, сигнал

Страница 2 из 894

  • 1
  • 2
  • 3
  • 4
  • 5
  • 6
  • 7
  • 8
  • 9
  • 10

© 2012- Поддержка и продвижение JediG: Joomla + REST API + Python
Отдых в горах на море в селе Сукко в 12 км от Анапы- подбор аренды


Японские автомобили от японского дилера без третьих лиц! Общение на русском! ePN